Produktuak
Altzairu herdoilgaitzezko balbula
  • Altzairu herdoilgaitzezko balbulaAltzairu herdoilgaitzezko balbula

Altzairu herdoilgaitzezko balbula

JQF Valve-k ekoitzitako altzairu herdoilgaitzezko balbula iraunkorra J41H, J41Y, J41W. Bere irekiera eta ixteko zatia balbula zilindriko bat da, zigilatzeko gainazala laua edo konikoa da, eta balbula flap linealki mugitzen da fluidoaren erdiko lerroan zehar. Altzairu herdoilgaitzezko mozteko balbula guztiz irekitzeko eta erabat ixteko bakarrik egokia da. Orokorrean ez da emari-abiadura doitzeko erabiltzen. Egokitu eta moztu daiteke pertsonalizatutakoan.
Foshan Jinqiu Valve Co., LTD. kalitate handiko altzairu herdoilgaitzezko balbula fabrikatzailea da, diseinua, garapena, fabrikazioa, salmenta eta zerbitzua integratzen dituena. Gure produktu nagusiak hainbat kontrol-balbula, balbula elektrikoak, balbula pneumatikoak, balbula solenoideak, eskuzko balbulak, eragingailuak eta balbula osagarriak dira.
Gure altzairu herdoilgaitzezko balbula balbula altzairu herdoilgaitzezko fundiziozko gorputza, bi muturretan flanged konexioak eta ate balbula egitura dituen ate balbula bat da. Bere oinarrizko funtzioa hodietan fluxua zehatz-mehatz erregulatzea edo ertaindia modu fidagarrian ixtea da.
Korrosioarekiko erresistentzia bikaina eta zigilatzeko errendimendu fidagarria dela eta, produktu korrosiboetarako edo garbitasun handiko aplikazioetarako balbularik hobetsietako bat bihurtu da kimiko, petrokimiko, elikadura eta farmazia industrian.
Customers trust JQF valves' high quality, reliable performance, and good and comprehensive customer service. We will continue to innovate to provide first-class valve solutions.

1. Egitura sinplea: altzairu herdoilgaitzezko balbularen diseinua erraza da, fabrikazioa eta mantentze-lanak erosoa eta eraginkorra egiten ditu.
2. Erantzun azkarra: lan-ibilbide laburrak balbula oso azkar ireki eta ixteko aukera ematen du.
3. Zigilatze iraunkorra: zigilatzeko efektu bikaina, marruskadura erresistentzia minimoa eta bizitza luzea.

Arau Exekutiboa

Diseinuaren zehaztapenak: GB / T 12235
Egituraren luzera: GB / T 12221
Brida-konexioa: JB / T 79
Proba eta ikuskapena: JB / T 9002
Produktuaren identifikazioa: GB / T 12220
Entregatzeko zehaztapenak: JB / T 7928

Errendimendu-parametroak

eredua J41H-16C~160C J41Y-16C~160C J41W-16P~160P
Lan-presioa (MPa) 1.6~16.0
tenperatura egokia (℃) ≤425 ≤150
Euskarri egokiak Ura, lurruna, olioa Erdiko korrosibo ahula
materiala Gorputza, boneta Karbonozko altzairua Kromo-nikela-titaniozko altzairu herdoilgaitza
Balbula-zurtoina Chrome altzairu herdoilgaitza Kromo-nikela-titaniozko altzairu herdoilgaitza
Zigilatzeko gainazala Azalera-oinarritutako burdinazko aleazioak Azterketa gogorraren aleazioa Gorputzeko materiala
betegarri Amianto grafitoa, grafito malgua, PTFE

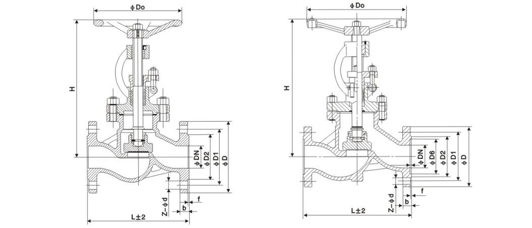
Forma nagusia eta konexioaren tamaina

Diametro nominala Dimentsio nagusiak eta konexio dimentsioak
L D D1 D2 b Z-d H D0
J41H-16C
15 130 95 65 45 14-2 4-Φ14 170 120
20 150 105 75 55 14-2 4-Φ14 190 140
25 160 115 85 65 14-2 4-Φ14 205 160
32 180 135 100 78 16-2 4-Φ18 270 180
40 200 145 110 85 16-3 4-Φ18 310 200
50 230 160 125 100 16-3 4-Φ18 358 240
65 290 180 145 120 18-3 4-Φ18 373 240
80 310 195 160 135 20-3 8-Φ18 435 280
100 350 215 180 155 20-3 8-Φ18 500 300
125 400 245 210 185 22-3 8-Φ18 614 320
150 480 280 240 210 24-3 8-Φ23 674 360
200 600 335 295 265 26-3 12-Φ23 811 400
250 650 405 355 320 30-3 12-Φ25 969 450
300 750 460 410 375 30-3 12-Φ25 1145 580
350 850 520 470 435 34-4 16-Φ25 1280 640
400 980 580 525 485 36-4 16-Φ30 1452 640
J41H-25C
15 130 95 65 45 16-2 4-Φ14 170 120
20 150 105 75 55 16-2 4-Φ14 190 140
25 160 115 85 65 16-2 4-Φ14 205 160
32 180 135 100 78 18-2 4-Φ18 270 180
40 200 145 110 85 18-3 4-Φ18 310 200
50 230 160 125 100 20-3 4-Φ18 358 240
65 290 180 145 120 22-3 8-Φ18 373 240
80 310 195 160 135 22-3 8-Φ18 435 280
100 350 230 190 160 24-3 8-Φ23 500 300
125 400 270 220 188 28-3 8-Φ25 614 320
150 480 300 250 218 30-3 8-Φ25 674 360
200 600 360 310 278 34-3 12-Φ25 811 400
250 650 425 370 332 36-3 12-Φ30 969 450
300 750 485 430 390 40-4 16-Φ30 1145 580
350 850 550 490 448 44-4 16-Φ34 1280 640
400 980 610 550 505 48-4 16-Φ34 1452 640

Egituraren irudia

Hot Tags: Altzairu herdoilgaitzezko balbula, Txina, pertsonalizatua, kalitatea, iraunkorra, aurreratua, fabrikatzailea, hornitzailea, fabrika, stockean
Bidali kontsulta
Harremanetarako informazioa
  • Helbidea

    No.1, North 1st Road, Stainless Steel New Town, Lecong Steel World West Road, Shunde Barrutia, Foshan hiria, Guangdong probintzia, Txina

  • Posta elektronikoa

    jinqiufamen@gmail.com

Ate-balbulei, globo-balbulei eta kontrol-balbulei edo prezioen zerrendari buruzko kontsultak egiteko, utzi zure posta elektronikoa eta 24 orduko epean jarriko gara harremanetan.

X
Cookieak erabiltzen ditugu nabigazio esperientzia hobea eskaintzeko, guneko trafikoa aztertzeko eta edukia pertsonalizatzeko. Gune hau erabiltzean, gure cookieen erabilera onartzen duzu. Pribatutasun politika
Baztertu Onartu