Produktuak
Altzairuzko kontrol-balbula
  • Altzairuzko kontrol-balbulaAltzairuzko kontrol-balbula

Altzairuzko kontrol-balbula

Jinqiu Valve-k kalitate handiko altzairuzko galdatutako kontrol-balbulak fabrikatzen ditu, ertainaren fluxuaren presioaren arabera automatikoki irekitzen diren balbula automatikoak dira eta grabitatearen edo atzera-presioaren bidez automatikoki ixten dira ertainak atzera egiten duenean. Balbula hauek industria-hodietarako egokiak dira, normalean altzairu urratuz eginak daude eta hainbat euskarri eta tenperatura-baldintzatarako aplikagarriak dira.

Jinqiu Valve fabrikako altzairuzko kontrol-balbula iraunkorra simetrikoa da bi aldeetan, eta bi norabideko komunikabideen fluxua ahalbidetzen du. Instalazioa erraza da, kanalizazioaren norabidea kontuan hartzeko beharra ezabatuz, eta funtzionamendua malgua eta erosoa da. Gure fabrikak osotasun eta kalitate printzipioak betetzen ditu lehenik. Ongi etorriak ditugu zure kontsultak eta zurekin epe luzerako lankidetza-harremana ezartzea espero dugu. Fabrikazioan abantailak ditugu, eta zuk salmentetan. Uste dugu lankidetzaren bidez irabazi-irabazi-egoera bat lor dezakegula eta elkarrekin haztea espero dugu!


1. Fluidoen erresistentzia baxua: altzairu galdatuaren kontrol-balbularen barne-erdia lerro zuzen batean isurtzen da erresistentzia minimoarekin, fluidoen garraio leuna, energia-eraginkortasuna eta praktikotasuna erraztuz.
2. Ireki eta ixteko erraza: altzairuzko galdatutako kontrol-balbularen atea fluidoarekin bertikalki mugitzen da, irekitzeko eta ixteko indar minimoa behar du, funtzionamendua erraztuz eta lan kostuak aurreztuz.
3. Mugarik gabeko fluxu ertaineko norabidea: altzairuzko galdatutako kontrol-balbula simetrikoa da bi aldeetan, eta bi norabideko fluxu ertaina ahalbidetzen du. Instalazioak ez du kanalizazio-fluxuaren norabidea kontuan hartu behar, funtzionamendua malgu eta erosoa izateko.
4. Zigilatzeko errendimendu bikaina: higadura gutxienekoa da guztiz irekita dagoenean; itxita dagoenean, presioak zigilu bat behartu dezake, ihes ertainak modu eraginkorrean saihestuz.

Errendimendu-parametroak

eredua H44H-16C~2=-0 H44W-16P~250
Lan-presioa (MPa) 1.6~25
tenperatura egokia (℃) ≤425 ≤550
Euskarri egokiak Ura, lurruna, olioa Erdiko korrosibo ahula
materiala Gorputza, boneta, diskoa Karbonozko altzairua Kromo-nikela-titaniozko altzairu herdoilgaitza
Zigilatzeko gainazala Karbonozko altzairuaren gainazaleko burdinazko aleazioak Gorputza zigilatua

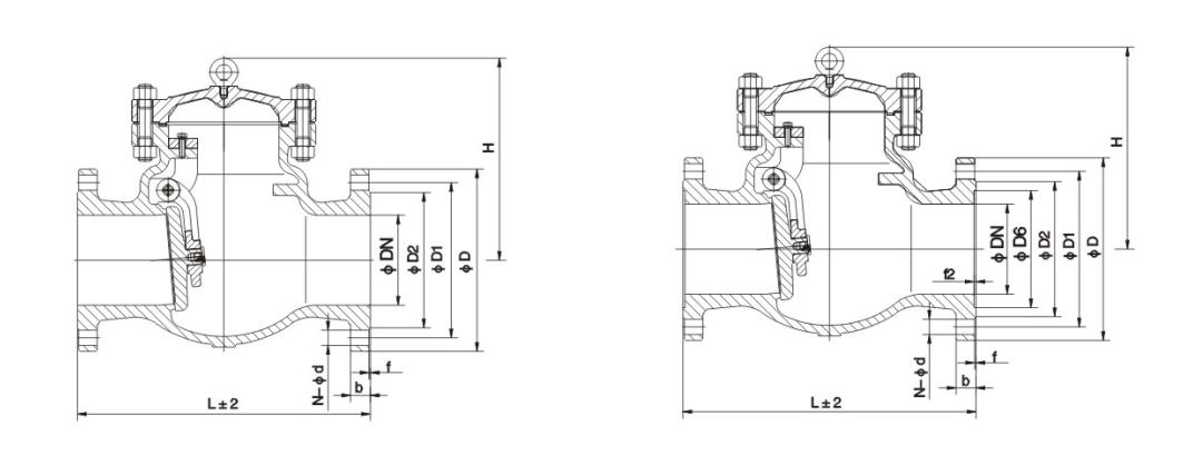
Forma nagusia eta konexio dimentsioak

Diametro nominalaDN Dimentsio nagusiak eta konexio dimentsioak
L D D1 D2 b Z-d H
H44H-16C H44W-16C H44W-16P H44W-16R H44W-16I
25 160 115 85 65 16 4-14 100
32 180 135 100 78 16 4-18 105
40 200 145 100 85 16 4-18 115
50 230 160 125 100 16 4-18 135
65 290 180 145 120 18 4-18 142
80 310 195 160 135 20 8-18 165
100 350 215 180 155 20 8-18 180
125 400 245 210 185 22 8-18 210
150 480 280 240 210 24 8-23 233
200 500 335 295 265 26 12-23 304
250 550 405 355 320 30 12-25 348
300 650 460 410 375 30 12-25 390
350 750 520 470 435 34 16-25 430
400 850 580 525 485 36 16-30 468
H44H-25 H44W-25 H44W-25P H44W-25R H44W-25I
25 160 115 85 65 16 4-14 100
32 180 135 100 78 16 4-18 105
40 200 145 110 85 16 4-18 115
50 230 160 125 100 20 4-18 160
65 290 180 145 120 22 8-18 175
80 310 195 160 135 22 8-18 185
100 350 230 190 160 24 8-23 220
125 400 270 220 188 28 8-25 248
150 480 300 250 218 30 8-25 276
200 550 360 310 278 34 12-25 350
250 650 425 370 332 36 12-30 410
300 750 485 430 390 40 16-30 430
350 850 550 490 448 44 16-34 518
400 950 610 550 505 48 16-34 560

Egituraren irudia

Hot Tags: Altzairuzko kontrol-balbula, Txina, pertsonalizatua, kalitatea, iraunkorra, aurreratua, fabrikatzailea, hornitzailea, fabrika, stock eskuragarri
Bidali kontsulta
Harremanetarako informazioa
  • Helbidea

    No.1, North 1st Road, Stainless Steel New Town, Lecong Steel World West Road, Shunde Barrutia, Foshan hiria, Guangdong probintzia, Txina

  • Posta elektronikoa

    jinqiufamen@gmail.com

Ate-balbulei, globo-balbulei eta kontrol-balbulei edo prezioen zerrendari buruzko kontsultak egiteko, utzi zure posta elektronikoa eta 24 orduko epean jarriko gara harremanetan.

X
Cookieak erabiltzen ditugu nabigazio esperientzia hobea eskaintzeko, guneko trafikoa aztertzeko eta edukia pertsonalizatzeko. Gune hau erabiltzean, gure cookieen erabilera onartzen duzu. Pribatutasun politika
Baztertu Onartu